Meine BMW R80GS "Basic"



Epilog

Überblick


Meine BMW

(anklicken für mehr Bilder)

  • eine "Basic", Bj. 96, EZ 98 (2 Jahre Showroom), gekauft 2001 mit ca. 8000 km aus 1. Hand (siehe hier zu Kauftips)
  • Fazit: das ist es! So eine hätte man früher haben müssen, als man noch mehr Zeit zum Fahren hatte.
  • Ein paar Sachen habe ich natürlich trotzdem geändert ... der Basteltrieb eben ...
  • stark sympathisiert habe ich übrigens auch mal mit einer R60/2 ... aber das ist vielleicht doch eher etwas für die Zeit der Rente ...

Was ich mag / worüber ich mich immer noch freuen kann

  • Kardan statt Kettenschmiererei: endlich z.B. schon morgens durch Staub oder Wasserfurten fahren können und nicht den Verschleiß hinten den ganzen Tag hören. Und erst der Radwechsel - ein Traum!
  • Handlich, nicht nur im Kurven-Geschlängel, sondern auch bei Trial-Passagen
  • Leistung: mir haben die 50 PS und die Art & Weise, wie sie dargereicht werden, lange Zeit genügt. Dennoch habe ich im Winter 2006 auf 1000 cm³ aufgerüstet, und im Winter 2008 dann nochmal nachgelegt. Nicht weil mir abgrundtief Leistung gefehlt hat, sondern ein bißchen auch aus Lust am Schrauben. (Heute allerdings möchte ich die 1000cm³ nicht mehr missen...)
  • simple Technik, extrem schrauberfreundlich (anders als die R1100GS!)
  • Sitzkomfort
  • das Gesamtlayout - mir gefällt sie so wie sie jetzt ist.

Was ich nicht so toll finde


Gewicht

Kleiner Vergleich:

Fahrzeug gesamt

vorne

hinten

XT 500 (Original-Tank, voll) 155 66 43% 89 57%
BMW R80 GS (mit allen Änderungen, Stand Juli 2009 - Tank ~90% gefüllt) 223 100 44% 123 56%
BMW R80 GS "Friwi" (USD-Gabel, Rahmen Serie, 19,5l-Tank 50%, kein Gepäckträger, Acerbis v&h, Akku 2 kg) 182 84 46% 98 53%
BMW HPN          
BMW R1100 GS ABS (Tank ~90% gefüllt) 252 127 50% 125 50%
BMW R1200 GS ABS/ESA (Tank 90% voll) 242 120 49% 122 51%
Honda NTV 650 (Kardan-Tourer) - Tank ~90% gefüllt 221 101 45% 120 55%

(erneute Prüfung März 2011)


Änderungen


Koffer

Original:

Gesamtbreite ca. 86 cm

Schmale Version:

Gesamtbreite ca. 74 cm


Erfahrungen

Öle:

Motoröl:

Getriebe-Öl

Gabelöl

Ölwechsel und Ölfilter:

Reifen: 

  • Continental TKC 80:
    • trotz relativ großem Negativprofil astreine Haftung auf Straßen
    • lediglich anfangs etwas unsicheres Gefühl in Kurven (vermutlich durch die Stollenhöhe von fast 10 mm), das gibt sich nach wenigen km
    • im (trockenen) Gelände erheblich besser als alle anderen straßenorientierten Reifen, v.a. Traktion und Seitenführung in Sand und Schotter
    • nasses Gelände weiß ich bisher nicht (Glück mit dem Wetter )
    • aber: starker Verschleiß zumindestens hinten. Nach 1700 km (flotte Fahrt auf griffigem Teer und ca. 100 km Schotter) sind ca. 50% des nutzbaren Profils weg: von ca. 10 auf 6 mm. Begründung für "nutzbar": was nützt einem so ein Reifen, wenn er nur noch 2 mm Profil hat? 
    • vorne wesentlich weniger Verschleiß als hinten (ich bremse halt wenig ...)
    • wurde wieder demontiert, um nochmal eine schöne Wochen-Tour zu überstehen.

 

Bremse:

Hebel-Leerweg der Vorderbremse

Bremsbeläge vorn

4-Kolben-Bremssattel

Bremse hinten

HE-Bremsscheibe

 

Vergaser

32er

  • auf 140er Hauptdüse (1) gewechselt: in oberen Drehzahlen (ab 4500) bei Vollgas laut Popometer etwas mehr Leistung und Durchzug (die 135er ist vielleicht wegen Abgaswerten standardmäßig drin). Beim Verbrauch keine Änderung meßbar. Das Vergaser-Umbedüsen ist übrigens so ein Beispiel für die Schrauberfreundlichkeit: wenn ich dran denke, wie schnell das geht, z.B. im Vergleich zur XT, dann verlieren z.B. große Höhen (Alpen) ihren Schrecken. Mal eben umbedüsen - kein Problem.
  • Düsennadel (4) -Stellung:
    • Standard: 3. Kerbe von oben
    • es wird öfters empfohlen, die Nadel eine Raste tiefer zu hängen (also auf die 2 von oben, somit magerer), weil das Gemisch im Teillastbereich eher zu fett sei. Ich habe es probiert -> negativer Effekt: hängt bei weitem nicht mehr so gut am Gas, deutliche "Löcher" beim Beschleunigen. (Ganz anders verlief dasselbe Experiment bei den 40ern und 1000cm³.)
    • ein 2. Experiment war die 4. Raste von oben, also die fetteste Stellung. Effekt: Motor hängt gut am Gas, keine "Löcher" beim Vollgasgeben auch ab 2500 U/min. Riecht allerdings schon im Leerlauf nach Benzin. Daher während derselben Ausfahrt wieder in die Original-Einstellung umgehängt: keine spürbare Änderung in der Leistung, aber sicher geringerer Verbrauch und ich vermute ferner, daß es mit der fettesten Nadelstellung im Gebirge ziemlich stark überfettet gewesen wäre. 
    • Fazit: die Original-Einstellung (3. Raste von oben) ist die ausgewogenste. 
    • derartige Experimente sollte man übrigens am besten während einer Tour machen, um Effekte klimatischer Einflüsse (Luftdruck, Feuchtigkeit) auszuschließen.
  • Verbrauch war bei mir zwischen 4,8 und 6 l, Mittelwert ca. 5,3 l

40er

 

Zündkerzen: 

Zündzeitpunkt

Original-Zündanlage

Doppelzündung

Sonstiges

Ventilspiel

 

Sonstiges:

 

Elektrik

Ladesystem

Generator "G1 14V 20A 21":
  • maximal 20A (rechnerisch 14V * 20A = 280W)
  • bei 2100/min 2/3 davon, also 13A.
    linear interpoliert: bei 1000/min 7,5A
Generator "G1 14V 10/17A":
  • maximal 17A (rechnerisch 14V * 17A = 238W)
  • bei 1000/min 2/3 davon, also 11A
Generator G1 "14V 8/19A":
  • maximal 19A (rechnerisch 14V * 19A = 266W)
  • bei nur 800/min 2/3 davon, also 12,6A

ð später "Ladebeginn"

ð relativ wenig Nennleistung

ð demnach wäre das hier "der beste"?

Sonstige Elektrik

 


Defekte und Probleme

Batterie

Öl im Kardantunnel 

Fixierstift Kurbelwellenlager

Poltern / Klappern vorne

Batteriesäure und Auspuffdichtung

Hier alte und neue Dichtung

oben sieht man, daß die Dichtung regelrecht rausgequetscht wurde. Das Material wurde wohl irgendwie weich, und ich habe natürlich auch vorher die Schraube mal nachgezogen.  

Schon wieder Ölkohle

Sicherung 4 fliegt raus (und weitere Merkwürdigkeiten)

Merkwürdigkeiten (ich liebe Elektrik-Fehler...!)

Fehlersuche

Die Ursache

Rotor defekt

Ort Nr Prüfschritt Erg. Aktion / Bemerkung
1-4

Die Schritte 1-4 prüfen die Vor-Erregung der Lichtmaschine. Wurde die Ladekontrolleuchte durch einen 47Ω-Widerstand ersetzt, gelten diese Schritte sinngemäß, wie überhaupt bei nicht-originaler Elektrik.

Sicherung 1 Sicherung (Nr. 2 bis 90, Nr. 4 ab 90)?
(Kommt dort überhaupt Strom von der Batterie an?)
NOK ersetzen
OK ð 2
Lampe 2 Kabel (grünblau oder blau) spannungsführend? NOK Kabelweg von Batterie "+" zum Zündschloß defekt
OK ð 3
3 Birne Ladekontrolleuchte (LKL) 12V / 3W OK? NOK ersetzen
OK ð 4
4 Spannung anliegend innen an der Platine, wo die Kontaktfahnen der Fassung der Birne 12V/3W anliegen? NOK Platine defekt, ersetzen
OK ð 5 (somit bleibt noch das Kabel von der Kontrolleuchte zur Kohlenplatte am Generator zu prüfen - kommt bei Nr. 9)
Lima 5 Rotor: die beiden Kohlen-Laufbahnen mit 10er Gabelschlüssel überbrücken - brennt jetzt die LKL (wenn Zündung an)?
Federspannung der Kohlen prüfen.
(Wenn LKL durch 47Ω-Widerstand ersetzt wurde: liegt 12V Spannung an den beiden Seiten des Widerstands?)
OK Rotor defekt - austauschen. Zusatz- bzw. Alternativprüfung: Durchgangswiderstand ca. 3,3 - 4,3 Ω (dafür Kohlen mit Papier o.ä. abheben)
NOK ð 6
6 die Kohle mit dem schwarz-weißen Kabel (braunes Kabel: geht an Masse): dieses Kabel kommt von der LKL - liegt dort Spannung an? NOK Verbindungskabel an der Kohle direkt prüfen
OK ð 7
7 Beide Kohlen an den Federn überbrücken - brennt jetzt die LKL (oder 12V an 47Ω-Widerstand)?
Federspannung der Kohlen prüfen.
OK Unterbrechung zwischen den 2 Kohlen. Kein Kontakt zur Schleiffläche, Kabel an den Kohlen selbst
NOK ð 8
wenn man schon mal hier ist: bei der Diodenplatte die Gummis prüfen. Kaputt => Diodenplatte kann gegen Gehäuse vibrieren => Kurzschluß.    
unterm Tank 8 am Regler: sitzt das Kabel fest, Kontakte fest und rostfrei - daran rütteln - brennt jetzt die LKL? OK Kontakte pflegen, Stecker stramm biegen
NOK ð 9
9 am Regler: ist Spannung auf dem blauen Kabel (kommt von der LKL, Zündung an!)? NOK Kabel von LKL zum Regler defekt
OK ð 10
10 Kabel schwarz-weiß am Regler (Ausgang, geht zu D* am Stator) spannungsführnend? NOK Regler defekt
OK Kabel vom Regler zum Generator (an D+) defekt

Schritt 5 zeigte dann auch den Schuldigen auf ...

Lichtmaschine: Kabel an Kohle ab

Anlasser - Magnete abgefallen

  • zum Thema "Gestaltung des Ritzels":

ñ oben ein brauchbarer neuer Anlasser (kein Original-Valeo): man sieht die Fasen am Ritzel. Dieser ist übrigens für einen 2-Ventiler, Drehrichtung links, von hier aus betrachtet.

Diese Fasen sind erforderlich, damit das Ritzel gescheit in den Zahnkranz auf der Kupplung einspuren kann, sonst wird eins von beiden oder beides "spanabhebend bearbeitet".

Diese doppelte Anfasung herzustellen kostet natürlich Geld. Das sparen sich einige Hersteller... ð

ñ hier ein originaler gebrauchter Valeo (der wegen abgefallener Magnete zerlegt wurde): man beachte, bis wohin in etwa das Ritzel einspurt. Ferner sieht man, daß die Fasen im Lauf der Zeit abgerundet wurden. ñ auf dem Bild oben (nicht von mir) eines der wertlosen Billig-Exemplare. Dieser hatte beim Einbau keinerlei Fasen am Ritzel. (Leider habe ich vom "Neuzustand" kein Bild.) Was man hier sieht, sind die üblen Spuren von ca. 5000 km Laufleistung (also vielleicht 100-200 Anlaßvorgängen). Man könnte sagen, daß sich die Fase ja offenbar von alleine bildet. Problem war jedoch hier, daß die andere Seite, der Kupplungszahnkranz, ähnlich aussah, und das ist richtig teuer.

Dieser war für eine 11xxer - Drehrichtung rechts, von hier aus betrachtet.

Lenkkopflager - Schwierigkeiten bei der Einstellung

Auslöser war ein "Shimmy", den ich bislang noch nie hatte - egal welche Reifen und egal wie abgefahren. Zuerst habe ich das fälschlicherweise auf die zu dem Zeitpunkt montierten härteren Gabelfedern zurückgeführt.
  • die Konstruktion zur Einstellung des Lenkkopflagers ab Bj. 91 ist eine spezielle Konstruktion - anders als "normal". (Wie ja öfters bei BMW.)
  • der Sinn / Vorteil dieser Konstruktion ist, daß beim Anziehen der Kontermutter #3 das Spiel nicht wie sonst so oft nochmal in Richtung "strammer" verstellt wird, sondern so bleibt wie soeben eingestellt.
    • die Konterung leitet die Kraft nicht auf die obere Lagerschale (#4 bzw. #5),
    • sondern über die #2 direkt auf das Lenkrohr #7
    • ... glaube ich jedenfalls. Jedenfalls ist es wirklich so, daß sich das einmal eingestellte Spiel beim endgültigen Festziehen nicht mehr verstellt.
  • es ist vorgesehen, die Lager mit 12 Nm Vorspannung zu beaufschlagen.
  • das eigentliche Spiel (bzw. die Vorspannung) wird mit der Rändelmutter #4 eingestellt. Da diese jedoch nicht das Ansetzen eines Drehmomentschlüssels erlaubt, werden unter Verwendung eines "Spezialwerkzeugs" vorübergehend die Teile #3, #2 und #4 zu einer Einheit verbunden, und and der 30er Mutter #3 kann man dann einen Drehmo ansetzen.
  • ich habe 2 gute Anleitungen zu der Einstellung selbst gefunden:
    • kurz und knapp bei Anton - weiter unten einfach kopiert.
    • ausführlicher und bebildert hier (diese habe ich auch in meine "Q-Tips" kopiert)
  • interessanterweise ist die Prozedur im BMW-Werkstatthandbuch è (zum Download z.B. hier) anders beschrieben - auch mit Bezug auf Bj. >1991
    • es ist keine Rede von einem bestimmten Drehmoment - hier wird so fest angezogen, daß der Lenker "ganz leicht schwergängig" ist
    • es ist hingegen die Rede von einem "Spezialschlüssel" - hier tut es ein 30er Ringschlüssel vollkommen
    • dafür wird das folgende "Spezialwerkzeug" nicht erwähnt
  • benötigtes Werkzeug:
    • ein 30er Ringschlüssel für die große Kontermutter
    • für's Einstellen des Lenkkopflagers ab Bj. 91 braucht es ein "Spezialwerkzeug". Etwas ganz primitives: eine Hülse oder Ring, di=22, da=24.55 und L 10 mm, aus Stahl, Messing, ... sollte hartes Material sein, Alu dürfte weniger geeignet sein. Bei Anton steht: ein Abschnitt eines 7/8-zölligen Rohrs (Innendurchmesser).

Zitat aus der Anleitung von Anton

(Anmerkungen von mir)

  • Remove handlebar trim
  • Release handlebar clamping blocks
  • Disconnect cable connectors on bottom at left and right; lift handlebar over ignition lock
er erwähnt übrigens, daß diese Anleitung ein Service-Bulletin von BMW ist, die offenbar nach Drucklegung des WHB kam

links die Abbildung daraus

 

 

diese ersten Schritte sind nur deswegen erforderlich, weil man sonst an die Schraube #2 oder #3 nicht mit dem Drehmo rankommt.

Wenn man (so wie ich es im Endeffekt getan habe) die Einstellmutter #4 (in den Abbildungen weiter oben andere Nummer!) "nach Gefühl" anzieht, und die Prüfung der Vorspannung wie oben im WHB beschrieben vornimmt (Lenker ist "ganz leicht schwergängig"), dann kann der Lenker drauf bleiben!

  • Slacken off clamp screws at left and right on upper fork bridge (1)
  • Release lock nut (2)
  • Slacken off lock tube (3) and unscrew through 2~3 turns.
ich habe ein paar Prellschläge von unten auf die Gabelbrücke gegeben, damit sie sich löst (was aber nicht ganz genügt hat, s.u.)
  • Affix a strip of adhesive tape (arrow) over the adjusting ring on the fork bridge
  • Mark the current position of the adjusting ring (4) on the adhesive tape and adjusting ring (1)
diese Markierung ist m.M. nur eine Kontrolle, um wieviel man nun nachgedreht hat. Statt Klebeband gehen genauso gut oder besser auch zwei Farbkleckse.
  • Push the thrust collar (5) over the lock tube.
  • Secure thrust collar (5) with hexagonal nut (2), holding the lock tube (3) in place while tightening. [Those three components, along with the adjusting ring (4) are now locked together.]
  • For existing bearings: tighten to 12 Nm (9 ft-lb) using a wrench on the lock tube (3).
  • For new bearings: turn back the adjusting ring slightly via the hexagonal nut, then pre-tighten to 25 Nm (18 ft-lb) and move  the steering from limit to limit, then slacken off hexagonal nut and retighten to 12 Nm (9 ft-lb).
jetzt kommt "der Ring" zum Einsatz:

auf dieses Anziehen über den Drehmo habe ich verzichtet, sondern "nach Gefühl" (siehe dazu auch unten zum Problem, was mir begegnete)

  • Mark new position of adjusting ring on the adhesive tape
siehe oben betr. der Markierung
  • Release hexagonal nut and take out thrust collar (5)
  • Tighten lock tube to 65 Nm (47 ft-lb), and tighten hexagonal nut to 65 Nm (47 ft-lb). [Clymer uses 33ft-lb for the K75 lock tube]
    Note: The position of the adjusting ring may no longer be altered!
  • Retighten clamping screws on fork bridge to 15 Nm (12 ft-lb)
  • Re-install handlebar, tighten clamping blocks to 22 Nm (15 ft-lb)
hier kann man jetzt mit Hilfe der Markierungen prüfen

Und nun zum Problem, welches ich dabei hatte:

Mein Fazit:


Wartung und Reparaturen

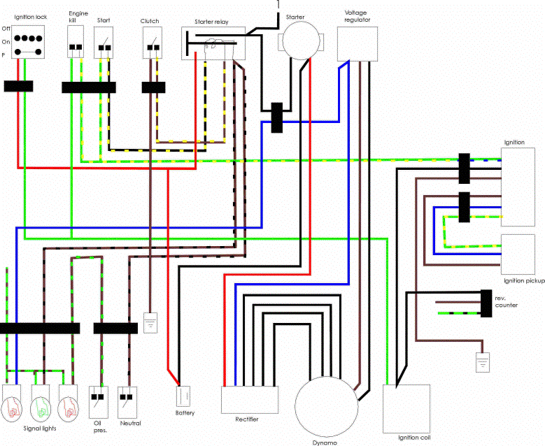
Schaltpläne


Auszüge aus Internet-Foren / Tips

Tips & Tricks - oder auch "Q-Tips"

Andere Dokumente


Fragen

1) Wieso ist bei der Basic die hintere Auspuffaufnahme unbenutzt? (Bild siehe hier.) Am Auspufftopf ist dort kein Winkel, sondern nur 2 Blindschrauben. Der Topf hängt oben nur an der Aufnahme, die ca. 40 cm vom Ende entfernt ist.
    • Antwort (aus dem BoFo): weil das Original-Basic-Heck dort keine Aufnahme hat. Das hatte ich vergessen, weil ich schon lange auf das "lange" Rahmenheck umgerüstet habe. Und es scheint auch so ganz gut zu halten ...
2)

---inhaltsverzeichnis ok 16.09.2015---